热源设备系列
产品详情
工作原理
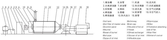
燃料通过燃烧器燃烧,产生高温燃气。并借助具有强化换热措施的热风炉将高温燃气的热量传导给被加热的空气,高温燃气经热量散发后温度降低至250℃后排到大气中。需加热的空气通过选配的鼓风机强送入热风炉,吸热后温度升至额定值从热风出口处送出,当热风温度达到额定温度上限时,燃烧器会自动停止燃烧或自动转为小火焰燃烧,当热风温度降低到额定下限温度时,燃烧器又会重新点燃运行或转为大火燃烧,升温的速度可以调节进风阀的开度来实现。
技术规格
| 型号 | 燃烧器型号 | 燃油量kg/h | 供热量104kcal/h | 外形尺寸L×W×Hmm | 热风口L×Wmm | 总重kg |
| RLY1 | RIELLO.G3/DL3FS | 1.3-1.6 | 1 | 1200×1200×1600 | Φ200 | 460 |
| RLY4 | RIELLO.G10/DL10FS | 5-6.5 | 4 | 1700×1300×1600 | Φ250 | 850 |
| RLY10 | RIELLO.G20/DL23FS | 13-16 | 10 | 2300×1568×1870 | Φ300 | 2200 |
| RLY20 | RIELLO 1G/DL34FS | 26-32 | 20 | 2800×1568×1870 | Φ400 | 2670 |
| RLY30 | RL50/DL55FT | 39-48 | 30 | 3400×1568×1870 | Φ450 | 3060 |
| RLY40 | RL70/DL75FT | 52-64 | 40 | 4440×1768×2070 | Φ550 | 5600 |
| RLY60 | RL100/DL100FT | 78-96 | 60 | 5140×1868×2070 | Φ600 | 8460 |
| RLY100 | PRESS 4G/DL 120FT | 130-140 | 100 | 6440×2480×2300 | 550×600 | 12800 |
| RLY160 | P300/DL250FT | 200-270 | 160 | 7470×2920×3480 | 750×900 | 15780 |
| RLY200 | P300/DL300FT | 260-300 | 200 | 8175×2920×3480 | 750×900 | 18500 |
| RLY360 | G1510 | 480-620 | 360 | 9300×2920×3480 | 21000 |
上一条:JRF系列燃煤热风炉
下一条:GMF系列燃煤高温热风炉
Copyright © 2018 常州市长盛干燥工程有限公司
技术支持:常州市智立方网络科技有限公司
技术支持:常州市智立方网络科技有限公司





